| Item. | Description |
| 1.1 | Seal face |
| 2.1 | Sationary seat |
| 1.2 | Bellows |
| 1.3 | Collar |
| 1.4 | Drive ring |
| 1.5 | Spring |
| 1.6 | Ring |
| 2.2 | Collar |
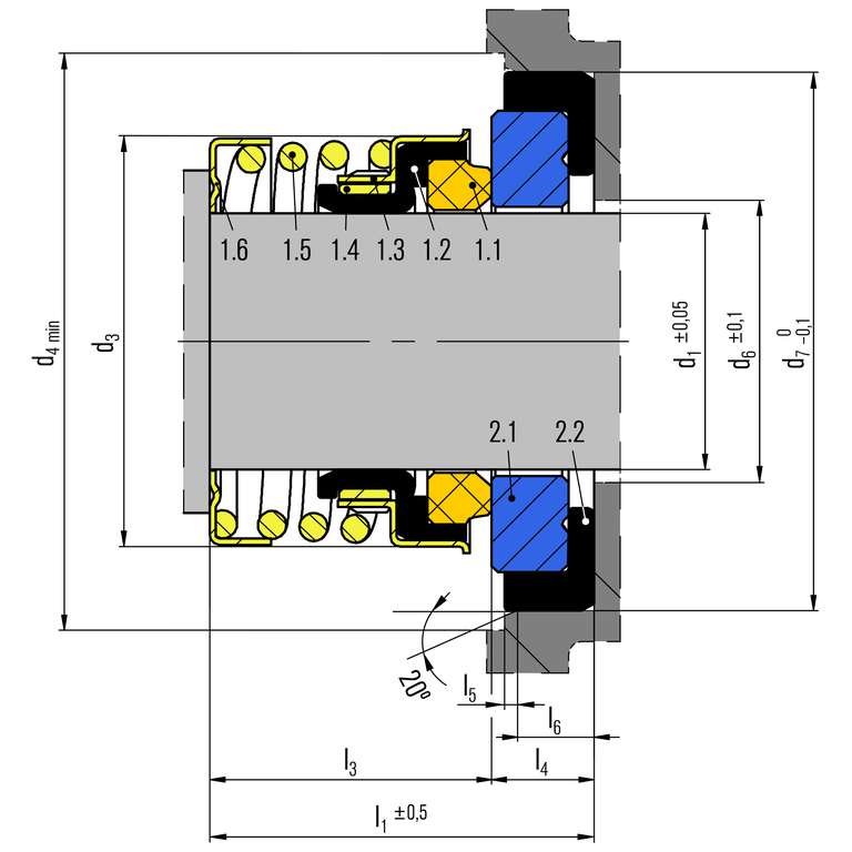
| Item. | Description |
| 1.1 | Seal face/td> |
| 2.1 | Sationary seat |
| 1.2 | Bellows |
| 1.3 | Collar |
| 1.4 | Drive ring |
| 1.5 | Spring |
| 1.6 | Ring |
| 2.2 | Collar |
| Item. | Description |
| 1.1, 1.6 | Seal face/td> |
| 2.1, 3.1 | Sationary seat |
| 1.2 | Bellow |
| 1.3 | Collar |
| 1.4 | Drive ring |
| 1.5 | Spring |
| 2.2, 3.2 | Collar |